Описание
Характеристики
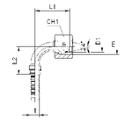
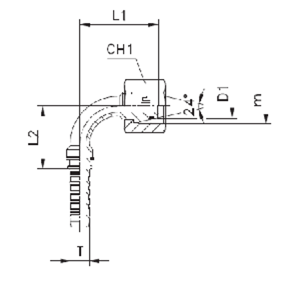
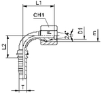
| Артикул | Бренд | D1 | DASH | DN | ID (дюйм) | L1 | L2 | WP (bar) | Вид резьбы | М | Стандарт фитинга/муфты | Тип фитинга | Угол фитинга |
| 801115 | CAST | 12S | -5 | 8 | 5/16 | 35,5 | 27,5 | 350 | Внутренняя | 20x1.5 | Стандартный | DKO | 90 град. |
Показать полностью
Свернуть
Характеристики
Бренд
CAST
WP (bar) рабочее давление
350
Размер M фитинги Каст
20x1.5
ID (дюйм)
5/16
DN (услов внут диам рукава, фитингов)
8
Стандарт фитинга/муфты для РВД
Стандартный
DASH размер продукции (рукава, фитинги, TC)
-5
Размер L1 фитинги Каст
35,5
Размер L2 фитинги Каст
27,5
Тип фитинга для РВД
DKO
Вид резьбы фитинга для РВД
Внутренняя
Угол фитинга для РВД
90 град.
Размер соедин. D1 фитинги Каст
12S
Отзывы
Отзывов еще никто не оставлял
