Описание
Характеристики
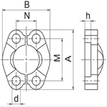
| Артикул | Бренд | A | B | d | h | M | M метр. | N | WP (bar) | Соед. дюйм | Стандарт фитинга/муфты | Тип фитинга |
| PM-AFS601B | POWERMASTER | 56 | 47.2 | 9 | 7.2 | 40.5 | M8x30 | 18.2 | 420 | 1/2 | Стандартный | SF (ФЛАНЕЦ) |
Показать полностью
Свернуть
Характеристики
Бренд
POWERMASTER
WP (bar) рабочее давление
420
Размер соедин. фланца фитинги Тиеффе
1/2
d уплотнения для фланцев
9
M полуфланцы PM
40.5
h полуфланцы PM
7.2
M метр. полуфланцы PM
M8x30
A (для скоб STECK)
56
B (для скоб STECK)
47.2
N полуфланцы PM
18.2
Стандарт фитинга/муфты для РВД
Стандартный
Тип фитинга для РВД
SF (ФЛАНЕЦ)
Отзывы
Отзывов еще никто не оставлял
